耐磨管道安裝必看,否則你會抓瞎
耐磨管道在安裝時有很多細節要注意,其中只要的注意事項就是連接方式之一焊接。
稀土合金耐磨管常溫下用二保焊機焊接不需要進行保溫處理,如室外操作溫度過低要進行保溫處理,注意事項:
1、焊接前,準備好J507的焊條,焊條直徑Φ4.0,在室內方便的情況,常采用二保焊機使用J507焊絲焊接。
2、焊接時,先要將管道焊接接口對好,有條件的情況下,最好放穩固定,平放更適合焊接。
3、預熱要求:稀土耐磨合金鋼淬硬傾向大,焊接易產生淬硬組織和冷裂紋,所以室外寒冷條件下焊前必須預熱,預熱溫度一般控制在200~250℃范圍內。
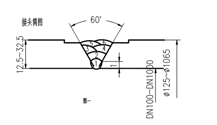
4、管道組對好后應進行定位焊,焊點數一般采用三至六點,焊點長為10~30mm,高為2~4mm,定位焊焊接規范與正式焊接相同,目的是預先調整對正。
5、正式施焊時,應兩人對焊,保持兩焊點處于對稱位置,焊條不得擺動,并采用短弧焊,窄焊道,多層多道焊,一般每層厚度應等于焊條直徑
|
6、焊接注意要點:現場焊接,下雨或相對濕度大于等于90%,禁止焊接。
下一篇:我靠!!購買耐磨管道還有這么多的秘密呢!
上一篇:很少人知道的,耐磨管道的秘密














