你知道不退火的稀土耐磨管有什么后果嗎
退火是熱處理工藝中的一種,在生產中,退火工藝應用很廣泛,常用于降低硬度,改善;消除殘余應力,穩定尺寸,減少變形與裂紋傾向。
稀土耐磨管道采用的稀土耐磨合金材質,晶粒細密、強度高,可塑性好,能通過離心成型、制模鑄造工藝生產各種所需配件。稀土耐磨管可切割,與低碳鋼實行對焊,安裝使用方便,但在現場焊接時容易開裂,這是因為它的硬度較高,根據需要,進行適當的退火工藝可以改善。
如果,硬度高的稀土耐磨管道沒有進行相應的熱處理工藝,在進行焊接時,就容易開裂。對于不擅長焊接稀土耐磨管的焊工,必須學習嚴格按照焊接工藝來焊接安裝。
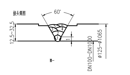
要避免在雨天相對濕度大于等于90%或低溫潮濕的風口下施工。檢查材料后再下料,施焊面要保持清潔,以免油污、夾渣影響焊接質量。管道之間的中心線要對正,確保管道兩端對接準確。焊接部位宜采用點焊、對稱焊,然后整體焊的方式,施焊時,應兩人對焊,使兩焊點處于對稱位置。焊完各層的每道焊縫后,應用風鏟或錘子進行錘擊,以減少焊接應力,避免應力集中鑄件開裂。
選擇好耐磨管道生產廠家非常重要,優質的管道不僅耐性好,而且模型標準,便于焊接。對于不同硬度材質要求的管道定制,調整工藝流程,使管道更耐用。同時,有專業技術人員為您指導施工,降低管道開裂的可能性。














